DAL型定扭矩安全聯軸器
發布時間:2024-05-16
來源: 本站
瀏覽量:
次


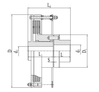
| DAL 型定扭矩安全聯軸器基本參數和主要尺寸 / mm | |||||||||||||||||||||||||||||||||||||
| 型 號 |
公稱轉矩 調整范圍 Tn N·m |
許用 轉速 [n] r/min |
軸孔直徑 | 軸孔長度 |
總長 L0 |
D | D1 | S |
轉動慣量 I kg·m2 |
重量 m kg |
|||||||||||||||||||||||||||
| d1 max | d2 | L1 | L | A 型 | B 型 | ||||||||||||||||||||||||||||||||
|
DAL1A DAL1B |
5~40 | 4000 | 25 | 24、25、28 | 82 | 44 | 129 | 200 | 105 | 90 | 3 | 0.0187 | 8.5 | ||||||||||||||||||||||||
| 30、32、35 | 60 | 145 | |||||||||||||||||||||||||||||||||||
|
DAL2A DAL2B |
8~63 | 4000 | 32 | 25、28 | 82 | 44 | 129 | 215 | 115 | 100 | 3 | 0.0273 | 10 | ||||||||||||||||||||||||
| 30、32、35、38 | 60 | 145 | |||||||||||||||||||||||||||||||||||
| 40、42 | 84 | 169 | |||||||||||||||||||||||||||||||||||
|
DAL3A DAL3B |
16~125 | 3600 | 35 | 32、35、38 | 82 | 60 | 145 | 240 | 130 | 120 | 3 | 0.0561 | 16 | ||||||||||||||||||||||||
| 40、42、45、48、50 | 84 | 169 | |||||||||||||||||||||||||||||||||||
|
DAL4A DAL4B |
31.5~250 | 3400 | 42 | 35、38 | 112 | 60 | 175 | 290 | 150 | 140 | 3 | 0.1648 | 25 | ||||||||||||||||||||||||
|
40、42、45、48、50、 55、56 |
84 | 199 | |||||||||||||||||||||||||||||||||||
|
DAL5A DAL5B |
45~355 | 2800 | 48 | 48、50、55、56 | 112 | 84 | 199 | 320 | 160 | 150 | 3 | 0.2136 | 38 | ||||||||||||||||||||||||
| 60、63、65 | 107 | 222 | |||||||||||||||||||||||||||||||||||
|
DAL6A DAL6B |
80~710 | 2400 | 65 |
60、63、65、70、71、 75 |
142 | 107 | 252 | 370 | 190 | 175 | 3 | 0.5947 | 56 | ||||||||||||||||||||||||
| 80 | 132 | 277 | |||||||||||||||||||||||||||||||||||
|
DAL7A DAL7B |
112~1250 | 2200 | 75 | 65、70、71、75 | 142 | 107 | 252 | 420 | 210 | 185 | 3 | 0.938 | 72 | ||||||||||||||||||||||||
| 80、85、90 | 132 | 277 | |||||||||||||||||||||||||||||||||||
|
DAL8A DAL8B |
224~2500 | 1800 | 90 | 80、85、90、95 | 167 | 132 | 304 | 510 | 250 | 235 | 5 | 2.36 | 132 | ||||||||||||||||||||||||
| 100、110 | 167 | 339 | |||||||||||||||||||||||||||||||||||
|
DAL9A DAL9B |
250~3550 | 1700 | 100 | 85、90、95 | 167 | 132 | 304 | 570 | 270 | 250 | 5 | 3.72 | 174 | ||||||||||||||||||||||||
| 100、110、120、125 | 167 | 339 | |||||||||||||||||||||||||||||||||||
|
DAL10A DAL10B |
355~4500 | 1500 | 110 | 100、110、120、125 | 167 | 167 | 340 | 620 | 310 | 280 | 6 | 5.743 | 208 | ||||||||||||||||||||||||
| 130、140 | 202 | 375 | |||||||||||||||||||||||||||||||||||
|
DAL11A DAL11B |
450~5600 | 1300 | 120 | 110 、120、125 | 167 | 167 | 340 | 680 | 346 | 320 | 6 | 9.82 | 256 | ||||||||||||||||||||||||
| 130、140、150 | 202 | 375 | |||||||||||||||||||||||||||||||||||
|
DAL12A DAL12B |
560~8000 | 1200 | 140 | 130、140、150 | 202 | 202 | 410 | 740 | 384 | 350 | 6 | 16.62 | 320 | ||||||||||||||||||||||||
| 160、170、180 | 242 | 450 | |||||||||||||||||||||||||||||||||||
|
DAL13A DAL13B |
710~11200 | 1100 | 160 | 170、180 | 242 | 242 | 490 | 850 | 450 | 420 | 6 | 34.75 | 560 | ||||||||||||||||||||||||
| 190、200 | 282 | 530 | |||||||||||||||||||||||||||||||||||
|
DAL14A DAL14B |
1120~18000 | 1000 | 180 | 190、200、220 | 282 | 282 | 570 | 950 | 500 | 460 | 6 | 64.12 | 820 | ||||||||||||||||||||||||
| 240 | 330 | 618 | |||||||||||||||||||||||||||||||||||
分享到:











